网站首页
产品分类
配线槽
配线标志
扎线带
结束带
固定座
固定头
浪管
保护部品
接线头
保护套
套管
固定夹
PC板部品
扣具
塑料螺丝
通讯接头
超值包装
压着端子与工具
配线槽
配线标志
扎线带
结束带
固定座
固定头
浪管
保护部品
接线头
保护套
套管
固定夹
PC板部品
扣具
塑料螺丝
通讯接头
超值包装
压着端子与工具
专业选型
品牌简介
品牌理念
公司简介
公司沿革
全球布局
技术资料
通用技术资料
配线槽系列
配线标志系列
扎线带系列
固定头系列
浪管系列
端子系列
新产品
台湾精品奖
新系列
新尺寸
新闻
产品快讯
新闻中心
联系我们
联系我们
CTT-17
首页
产品分类
扣具
扭线环
CTT
夹入式扭线环 CLIP TWIST TIE
CTT-17
产品特点
材质:UL合格之NYLON 66(本色),防火等级 94V-2。
产品认证
产品询价
添加到询盘
天猫/京东旗舰店链接
产品详情
产品型录
在线留言
产品详情
规格线条图
产品资讯
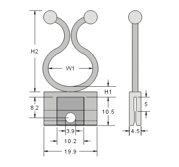
内宽 W1
16.7
内高 H2
30.5
间距 H1
4.2
材质
NYLON66
颜色
本色
认证
无卤素,RoHS
包装
100pcs
产品型录
产品型录
在线留言
产品名称:CTT-17
名称:*
电话:*
邮件:*
国家:*
内容:*
提交
kss@qdjbt.cn
邮箱
微信
产品
留言
顶部