KWS-1110

产品详情
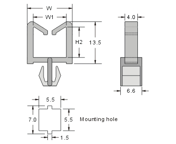
规格线条图

spec diagram

产品资讯
内宽 W110.9
内高 H29.8
适用PC板-钻孔 M1如图
适用PC板-板厚 T12.2
材质NYLON66
颜色本色
认证无卤素,RoHS
包装100pcs
产品型录
在线留言
qrcode
qrcode

kss@qdjbt.cn